欢迎访问无锡市华禾工控设备制造有限公司企业网站
 
气缸系列
国际标准QGS系列气缸
QGX系列小型气缸
DNC系列气缸
JB系列冶金气缸
SC系列标准气缸
QGD系列薄型气缸
各类非标系列气缸
液压缸系列
W70L/W140L系列轻型拉杆液压缸
HSG系列工程液压缸
Y-HG1系列冶金设备液压缸
UY系列重型冶金设备用液压缸
CD、CG系列重载液压缸
DG系列车辆用液压缸
液压站系列
液压站
 
联系方式
地址:无锡市胡埭镇
手机:许经理 13814264314
   秦经理 13906180154
电话:+86-510-85596735
传真:+86-0510-85596958
网址:www.wxhhgk.com
 
 
产品中心
主页导航 >> 产品中心
JB系列冶金气缸
 

图形符号

产品特点

单活塞杆,活塞双向作用、具有固定缓冲。符合JBl444~1448-74标准,目前冶金行业广泛应用。性能、经久耐用。各种安装形式适合不同用户需要。

型号注释

技术参数

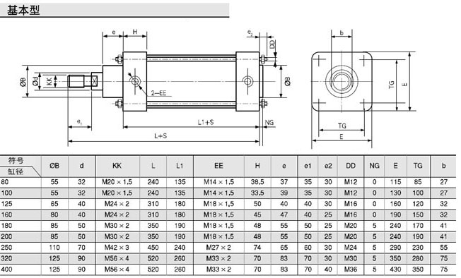
外形尺寸

 冶金气缸

上一页:DNC系列气缸
下一页:SC系列标准气缸
    
 
主页导航 | 关于华禾 | 新闻动态 | 产品中心 | 资质证书 | 客户反馈 | 联系我们  
Copyright(C)无锡市华禾工控设备制造有限公司 All Rights Reserved
地址:无锡市胡埭镇 手机:许经理 13814264314 秦经理 13906180154电话:+86-510-85596735
传真:+86-0510-85596958 邮箱:asayed@163.com 网址:www.wxhhgk.com